SBG-S-(M)

發布日期 : 2019-06-23 Print

适用于汽車衡、地上衡、單軌秤、料鬥秤等計量設備中。

Apply to motor vehicles, ground weighter, single-track scales, hopper weighing, metering equipment.

術參數Technical Parameter
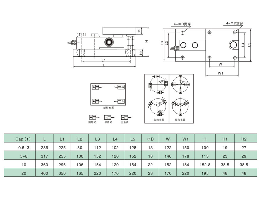
額定載荷Rated Load 0.5t,1t,2t,3t,5t,8t,10t,20t
靈敏度Sensitivity 2.0000±0.002mV/V
綜合誤差Total Error ±0.02%F.S
蠕變Creep(30minutes) ±0.02%F.S
推薦工作電壓Recommended Excitation Voltage 5V12V(AC or DC)
最大工作電壓Maximum Excitation Voltage 15V(AC or DC)
零點平衡Zero Balance ±1%F.S
輸入阻抗Input Impedance 380±10Ω
輸出阻抗Output Impedance 350±5Ω
絕緣阻抗Insulation Impedance 5000MΩ
安全過載率Safe Overload 150%F.S
極限過載率Ultimate Overload 200%F.S
工作溫度範圍Operating Temperature Range (-30+70)
溫度補償範圍Compensated Temperature Range (-20+60)
輸出溫度影響Temperature Effect On Load ±0.02%F.S/10
零點溫度影響Temperature Effect On Zero ±0.02%F.S/10
材質Construction 合金鋼Alloy Steel
防護等級Protection Class IP68
引用标準Citation GB/T7551-2008/OIML R60
接線方式Mode of Connection 輸入+: Input+:Red
輸入-: Input-:Black
輸出+: Output+:Green
輸出-: Output-:White

電話 : 0086-0574-86810798  |  Email : sales@china-zpe.com  |  地址 : 浙江省甯波市北侖區新碶街道九華山路402号二樓-1
版權所有©2019   甯波衆鵬電氣有限公司  京ICP證000000号   浙公網安備33020602000981号